di-soric Türkiye Pratik Akıllı Çözümler

WRB 220 S-90-1.5-1.0

Ürün Numarası: 202091

WRB Serisi fiber optik ürün portföyümüz, geniş aralıklar, yüksek mekanik ve yüksek sıcaklıklar için yüksek kaliteli fiberler içerir.

  • Yüksek kaliteli cam elyaflar
  • Yüksek sıcaklıklara dayanıklı
  • Sağlam, oldukça esnek

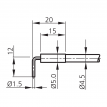
Uzunluk
600 mm
Fiber Vida Dişi
Ø 1.5 mm
Işık Açıklılığı
Radyal
Bükülme Yarıçapı
>3 X Tüp Ø
Malzemeler
Paslanmaz Çelik (Sensör Probu) Cam Elyaflar (Fiber) Silikon-Metal Kılıf (Kaplama)
Çalışma Prensibi
Cisimden Yansımalı
Tasarım
Dişli
Tek Fiber
Ø 0.05 mm
Ürün Serisi
OLV Amplifikatör
Işık Açısı
67°
Sıcaklık Dayanımı
-40...+180°C (Geçici Olarak +250°C'ye Kadar)
Koruma
IP67
Görsel Ürün Sepete Ekle
Önizleme Başlık Kategori Format
WRB 220 S-90-1.5-1.0 WRB 220 S-90-1.5-1.0 PDF pdf (1.38 MB)
whatsapp